MustangII.Org      74Ghia.com      FordPinto.com   
MustangII.org

Photo Gallery

The Original
Registry


Site Links

Communication
Groups & Forums
Parts

The People
Show Schedule
Past Meets
Mug Shots
Locations

Tech Info & Tools
Decoders
Calculators
Tips 'n Tricks

Multimedia
Ads-N-Articles
Sounds
Visual


Tips and Tricks: Suspension
  • Front suspension mods

    First things first, check out Performance Suspension Technology for polygraphite and replacement rubber front suspension bushings. This upgrade is most likely going to make the largest difference in the way your car handles. Your front end should feel solid and predictable after installing this kit.

    Check out your local magazine stand for a few hot rodding mags. In there you'll find the Mustang II front suspension is a popular item! Everything from tubular a-arms to 2" drop spindles can be found if you scan the ads well. Heidt's Rod Shop is one of the best places to go.

    If you're interested in lowering your II and can't find a spring that'll drop your ride the correct amount, (or don't want to shell out the cash for a set of drop spindles - ~$300!), purchase a set of coil springs from Racer Walsh. They'll be able to tell you what rate spring will work best for you. You'll most likely need to hacksaw a coil or two from the spring to get the car down to your liking, but it's all worth it, isn't it?

    While you're doing all this, don't forget to upgrade your front sway bar! This is the single most effective way to get your II to handle better (after a new set of bushings). The Mach I came with a 1" bar up front (aka Competition Suspension Package). Most (if not all) coupes came with a 7/8" bar. If you find a Click for a larger view junked Mach 1, grab the sway bar and bolt it into your car. Instant handling improvement! You can find aftermarket bars from other manufacturers, but I can't guarantee performance or ease of installation.

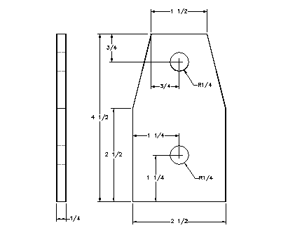
    To the right is a design for steel or aluminum 1" sway bar solid mounts. Make sure you insert some nylon or a high-density plastic between the bar and the mounts so it can turn. These designs are courtesy of Dave Wilson.

  • Cheap rear HP suspension mods

    Have a set of "drop blocks" made up by a machine shop, or order the "lowering kit" from Racer Walsh. These blocks sit between your axle and leafs, raising the axle above the spring (depending on block height), effectively lowering the body of the car. Make sure the blocks are the same width as your MII leafs and have the raised oval section in the top so the spring perch stays put. You'll also need to get longer axle u-bolts. Your stock ones will be too short.

    While you're at it, grab the rear sway bar along with the end-link brackets and spring mounting plates from a junked Cobra II or MII with the competition suspension package, or order them from Phil Schmidt's MII Specialty Shop. You'll notice a nice decrease in rear sway.

    New springs are available from Mustang's Unlimited and other suppliers. Another source for handling improvement is to use the rear leaf springs from a post-72 Ford Pinto Wagon. These springs bolt right into your MII and boast a considerably higher rate, helping to keep tires planted in hard turns.

    You could also have a machine shop fabricate a set of aluminum shackle bushings to replace the mushy rubber ones. You'll probably want to put something on the sides of the upper and lower Rear leaf spring shackle designs bushings, such as a round slice of high-durometer rubber or polyurethane to keep the leafs from rubbing the shackle brackets. This setup isn't recommended for the street, as it's incredibly stiff. If you do plan to cruise on the street, make sure you visit your dentist and have those fillings checked!

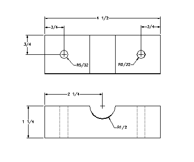
    For plans on how to build your own 1" drop shackles (and still use stock size bushings) click the thumbnail on the right. The picture below is of these shackles installed on my Project 77. Shackle designs courtesy of Dave Wilson.

Custom rear leaf-spring shackles


Back to Tips and Tricks

Dan Polk
Last Updated: 1/21/99

©1998-2014 The Mustang II Organization, ©1997-2010 D'TechnoArt Designs, & ©1999-2014 Lee Lafountain